KD642X-6C氣動煤氣緊急切斷閥--產品概述: 氣動煤氣緊急切斷閥是在吸收國內外技術的基礎上,根據用戶的實際工況而設計的新一代氣動煤氣快速切斷閥,它由防爆電磁閥過濾器回訊器氣動裝置及蝶閥組合而成,適用于加熱爐煤氣、高爐煤氣、轉爐煤氣、除塵管道等可燃性氣體管道中要求快速切斷場合。因它采用特殊的耐腐蝕性材料及高新技術阻止煙塵進入軸套,達到蝶閥開關靈活不卡死,經過客戶多年的使用,效果顯著。 
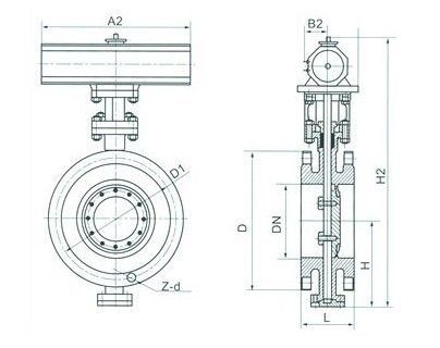
氣動煤氣緊急切斷閥--性能特點: KD642X煤氣氣動緊急切斷閥:氣動切斷快,密封性能好,無泄漏 公稱壓力:0.60MPa 強度試驗壓力:0.9MPa 密封試驗壓力:0.66MPa 適用溫度:≤200℃ 適用介質:加熱爐煤氣、高爐煤氣、轉爐煤氣等 閥體部分(煤氣專用蝶閥)閥桿采用鍍鉻處理,填料為高溫石墨,并且在上下軸之間經過特殊工藝處理,裝配防銹死裝置。經過這些特殊工藝之后閥門具備耐腐蝕、抗焦油、還具備有限防止煙塵進入軸承內,從而保證閥門開關靈活不卡死,在管道中起到截斷介質的作用。 KD642X-6C氣動煤氣緊急切斷閥 --工作原理: KD642X煤氣氣動緊急切斷閥上的有單作用(雙作用)氣動裝置,由單作用(雙作用)氣缸.活塞.連桿.箱體輸出軸等零件組成的機械傳動機構和電磁閥.過濾減壓閥等控制元件組成。當氣動執行裝置與電路和系統氣源接通后,電磁閥接收到24V電壓信號轉換成輸出氣壓力,使壓縮空氣進入缸體一端,推動活塞向另一端移動,活塞通過連桿等零件帶動輸出軸運轉實現閥門快速啟閉。同時回訊器根據閥門的啟閉位置來反饋輸出的控制信號正確定位。 KD642X煤氣氣動緊急切斷閥--執行標準: 1、設計制造:GB12238; 2、法蘭連接尺寸;GB9115; 3、檢驗和試驗:GB/T13927 氣動煤氣緊急切斷閥--主要連接及外形尺寸:

公稱通徑 DN | 結構長度L | 外形尺寸(參考值) | 連接(標準值) | 參考 重量Dt343H | | H | Dt343H | PN0.6MPa | PN1.0MPa | | mm | inch | 短 | 長 | H1 | A1 | B1 | D | D1 | z-d | D | D1 | z-d | | 50 | 2 | 108 | 150 | 112 | 350 | 180 | 200 | 140 | 110 | 4-14 | 165 | 125 | 4-18 | 17 | | 65 | 5/2 | 112 | 170 | 115 | 370 | 180 | 200 | 160 | 130 | 4-14 | 185 | 145 | 4-18 | 20 | | 80 | 3 | 114 | 180 | 120 | 380 | 180 | 200 | 190 | 150 | 4-18 | 200 | 160 | 8-18 | 23 | | 100 | 4 | 127 | 190 | 138 | 420 | 180 | 200 | 210 | 170 | 4-18 | 220 | 180 | 8-18 | 25 | | 125 | 5 | 140 | 200 | 164 | 460 | 180 | 200 | 240 | 200 | 8-18 | 250 | 210 | 8-18 | 40 | | 150 | 6 | 140 | 210 | 175 | 555 | 270 | 280 | 165 | 225 | 8-18 | 285 | 240 | 8-22 | 47 | | 200 | 8 | 152 | 230 | 208 | 605 | 270 | 280 | 320 | 280 | 8-18 | 340 | 295 | 8-22 | 60 | | 250 | 10 | 165 | 250 | 243 | 680 | 270 | 280 | 375 | 335 | 12-18 | 395 | 350 | 12-22 | 95 | | 300 | 12 | 178 | 270 | 283 | 800 | 380 | 420 | 440 | 395 | 12-22 | 445 | 400 | 12-22 | 124 | | 350 | 14 | 190 | 290 | 310 | 835 | 380 | 420 | 490 | 445 | 12-22 | 505 | 460 | 16-22 | 181 | | 400 | 16 | 216 | 310 | 340 | 915 | 450 | 470 | 540 | 495 | 16-22 | 565 | 515 | 16-26 | 260 | | 450 | 18 | 222 | 330 | 380 | 960 | 480 | 490 | 595 | 550 | 16-22 | 615 | 565 | 20-26 | 338 | | 500 | 20 | 229 | 350 | 410 | 1020 | 480 | 490 | 645 | 600 | 20-22 | 670 | 620 | 20-26 | 360 | | 600 | 24 | 267 | 390 | 470 | 1225 | 480 | 660 | 755 | 705 | 20-26 | 780 | 725 | 20-30 | 540 | | 700 | 28 | 292 | 430 | 550 | 1355 | 640 | 660 | 860 | 810 | 24-26 | 895 | 840 | 24-30 | 580 | | 800 | 32 | 318 | 470 | 640 | 1470 | 640 | 660 | 975 | 920 | 24-30 | 1015 | 950 | 24-33 | 845 | | 900 | 36 | 330 | 510 | 710 | 1545 | 750 | 860 | 1075 | 1020 | 24-30 | 1115 | 1050 | 28-33 | 1050 | | 1000 | 40 | 410 | 550 | 770 | 1795 | 850 | 860 | 1175 | 1120 | 28-30 | 1230 | 1160 | 28-36 | 1500 | | 1200 | 48 | 470 | 630 | 890 | 1965 | 850 | 900 | 1405 | 1340 | 32-33 | 1455 | 1380 | 32-39 | 2000 |
|