

| PZ973H-16C-DN700_刀型電動閘閥CAD圖 發布時間:21-01-04 |
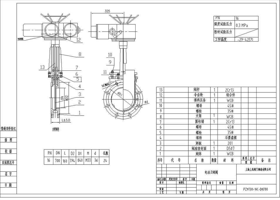
PZ973H-16C-DN700_刀型電動閘閥產品簡介: 該產品驅動部分采用多回轉電動裝置,用以驅動和控制閥門的開啟和關閉,操作人員可以在控制室內遠距離對閥門進行控制也可以現場手動操作,也可以與計算機配合實現計算機自動控制。廣泛應用于排水、供熱、電站、化工、食品、造紙、制藥、煤碳、采礦等工程,滿足了現代工、農業自動化要求。 ![]() PZ973H-16C-DN700_刀型電動閘閥工作原理: 電動對夾式刀形閘閥吸取了國內外先進技術和結構優點,是一種具有輕型、結構簡單小巧、密封性能可靠、使用壽命長、具有切斷介質等優點,其密封原理是通過閘板在關閉到底時,閘板斜切面碰到閥體上的鍥塊使得閘板緊靠密封面起到密封效果,并且閘板底部的斜切面具有切斷介質的功能,使得閥門不易受介質的堵塞卡阻。其結構可以做成硬密封、軟密封,可以很可以根據客戶對密封要求選型。緊急切斷閥軟密封是由金屬壓套把橡膠密封圈封套反鎖在閥座密封槽內,使得密封圈不會脫落,并且取下金屬壓套可以很方便的更換橡膠密封圈,這樣不僅提高了閥門使用壽命,并且也大大節省了用戶的使用成本。配多回轉電動執行器可以實現遠程微電腦控制,也可以現場手動操作,配有手動切換手柄,萬一供電系統終斷,可以手動操作開啟或關閉閥門、有效控制介質、防止事故發生。 PZ973H-16C-DN700_刀型電動閘閥電動裝置參數: 電源:AC380V、50HZ。 標準型:標準型產品具有防塵、防雨水的外殼 保護能力、保護等級IP65,可直接用于戶外。 防水型:產品具有防塵、防浸水(IP67)的外殼防護等級。 防爆型(EX):防爆等為DⅡ BT4/DⅡ CT4(不含乙炔)。 環境溫度:-20℃~40℃ 可選:配電氣控制器 電動對夾式刀形閘閥ZP973H產品特點: ■啟閉迅速,平衡可靠,自動化程度高。 □安裝高度及位置不受限制。 ★采用防爆型電動裝置,在易燃易爆,甚至有毒氣體環境中可以正常工作。 ☆配有手動,萬一供電間斷,可以手動操作開啟或關閉閥門,有效控制介質,防止事故發生。 PZ973H-16C-DN700_刀型電動閘閥CAD圖 ![]() |
|
||
|
||
|
||
|
||
|
||
|
||
|
||
|
||
|
||
|
||
|
||
|
||
|
||
|
||
|
||