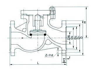
升降式止回閥的應用和結構長度尺寸||上海上兆閥門制造有限公司 H41H 升降式止回閥適用于中、小口徑管路的各種壓力、溫度和介質下控制接通或截斷管路介質的啟閉裝置;依靠閥瓣自重和流體壓差實現自動阻止流體倒流。 | 閥體材料 | 公稱壓力 (MPa) | 工作溫度 (℃) | 適用介質 | | 碳 鋼 | 1.6-6.4 | ≤425 | 水、油品、蒸汽 | | 10.0、16.0 | ≤450 | / | | 不銹鋼 | P | 1.6-16.0 | ≤200 | 硝酸類 | | R | / | / | 醋酸類 | 鉻鎳鈦 耐熱鋼 | PI | 1.6-6.4 | ≤550 | 石油、石油產品 | | 鉻鉬鋼 | 1.6-16.0 | ≤550 | 油 |
公稱壓力 PN | 公稱通徑 DN | 主要連接尺寸 | 外形 尺寸 | | L | D | D 1 | D 2 | D 6 | b | f | f 1 | Z-φd | H | | 1.6MPa | 40 | 200 | 145 | 110 | 85 | - | 16 | 2 | - | 4-18 | 95 | | 50 | 230 | 160 | 125 | 100 | - | 16 | 2 | - | 4-18 | 105 | | 65 | 290 | 180 | 140 | 120 | - | 18 | 2 | - | 4-18 | 120 | | 80 | 310 | 195 | 165 | 135 | - | 20 | 3 | - | 8-18 | 130 | | 100 | 350 | 215 | 180 | 155 | - | 20 | 3 | - | 8-18 | 140 | | 125 | 400 | 245 | 210 | 185 | - | 22 | 3 | - | 8-12 | 155 | | 150 | 480 | 280 | 240 | 210 | - | 24 | 3 | - | 8-23 | 180 | | 200 | 600 | 335 | 295 | 265 | - | 26 | 3 | - | 12-23 | 215 |
 
| 上海上兆閥門制造有限公司 | 銷售地址:上海市中華新路588號 工廠地址:上海浦東新場開發區 聯系電話:021-66105556 圖文傳真:021-23027829 業務手機:15000508975 郵箱:sales@valvesz.com 郵編:200070 |
|