一、 產品特點: F43CX手動扇形眼鏡閥又名手動扇形盲板閥、手動翻板閥、手動扇形閥,為長結構系列,在右閥體上設有伸縮器,用于較長管路中(注:不能作為管路的補償器),可以補償閥門啟閉過程中產生的閥體軸向位移,減小閥門的啟閉力矩。根據大口徑閥門的特點,閥體設計成三角形結構,加強了閥門的整體剛性。橡膠密封圈分別安裝在左、右閥體上。
二、主要性能指標:
公稱壓力MPa | 0.25 | 0.15 | 0.10 | 0.05 |
密封試驗壓力MPa | 0.275 | 0.165 | 0.11 | 0.055 |
強度試驗壓力MPa | 0.40 | 0.225 | 0.15 | 0.075 |
適用溫度℃ | 丁腈橡膠 | 硅橡膠 | 氟橡膠 |
<120 | <250 | <300 |
適用介質 | 煤氣等有毒、有害、易燃氣體 |
采用標準 | 連接法蘭尺寸符合JB/T81-94標準,檢測方法符合GB/T13927-92標準 |
主要零部件材料 | 閥體、閘板為碳鋼;連接軸、伸縮器為碳鋼或不銹鋼;密封圈為橡膠 |
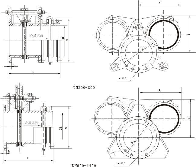
三、主要外形連接尺寸:

DN | D | D1 | b | n-φd | 長系列 L |
200 | 320 | 280 | 14 | 8-φ18 | 500 |
250 | 375 | 335 | 14 | 12-φ18 | 500 |
300 | 440 | 395 | 16 | 12-φ22 | 500 |
350 | 490 | 445 | 16 | 12-φ22 | 500 |
400 | 540 | 495 | 16 | 16-φ22 | 600 |
450 | 595 | 550 | 20 | 16-φ22 | 600 |
500 | 645 | 600 | 20 | 20-φ22 | 600 |
600 | 755 | 705 | 20 | 20-φ26 | 600 |
700 | 860 | 810 | 20 | 24-φ26 | 600 |
800 | 975 | 920 | 22 | 24-φ30 | 600 |
900 | 1075 | 1020 | 22 | 24-φ30 | 630 |
1000 | 1175 | 1120 | 22 | 28-φ30 | 630 |
1200 | 1375 | 1320 | 22 | 32-φ30 | 750 |
1400 | 1575 | 1520 | 26 | 36-φ30 | 750 |
1500 | 1675 | 1620 | 26 | 36-φ30 | 750 |
1600 | 1790 | 1730 | 26 | 40-φ30 | 750 |
1800 | 1990 | 1930 | 26 | 44-φ30 | 750 |
2000 | 2190 | 2130 | 26 | 48-φ30 | 750 |
五、操作方法及注意事項:
1、用扳手依次逆時針旋動三個連接螺桿,使閥體與閘板分離并有均衡,適量的間隙(16mm左右)。確認后轉動閘板到工作位置,反向旋動連接螺桿,使閘板與閥體緊密接觸,達到絕對密封的目的。
2、橡膠密封圈不得與閥體粘連或發生硬摩擦,以防止損壞橡膠密封圈,破壞閥門的工作性能。
3、左右閥體松開時,介質要外溢,為確保安全,應在關閉時,請先關閉眼鏡閥前的煤氣蝶閥,同時請采用通風和其它能保證安全的措施。
上兆閥門其他產品:
閘 閥 截止閥 球 閥 蝶 閥 緊急切斷閥 電磁閥 水力控制閥 止回閥 刀型閘閥 旋塞閥 過濾器 減壓閥 疏水閥 隔膜閥 調節閥 阻火器 呼吸閥 燃氣閥門 冶金閥門