F643X氣動扇形盲板閥詳細資料: 一、產品概述:
自動扇形盲板閥系列有氣動、液動、電動、電液動四種驅動方式并根據不同規格采用不同的結構形式,以適應用戶的能源條件、環境條件和工況條件的要求。
本系列自動扇形盲板閥以其優越的性能為冶金、化工、環保等行業的有毒、有害、易燃氣體管路實現自動化控制提供了一種安全、可靠的隔斷設備。本閥連接尺寸符合GB2555-81PN2.5標準;檢測方法符合GB/T13927-92標準。
二、產品特點及工作原理:
F643X氣動扇形盲板閥,又稱氣動扇形眼鏡閥,主要由左閥體、右閥體、絲桿、閘板、密封圈、杠桿、汽缸等零件組成,并由底座、支撐柱構成一個剛性結構體。閥門中設有夾緊、松開汽缸和翻板汽缸,夾緊、松開汽缸通過杠桿和絲桿螺旋驅動左、右閥體完成松開、夾緊動作,翻板汽缸驅動閘板完成開關動作。橡膠密封圈鑲鉗在閘板上,具有耐高溫、密封性能好、更換方便、使用壽命長等特點。
本閥可以單臺遠距離控制,亦可多臺聯網遠距離控制,非正常情況下還可以利用閥門本身裝置手動操作。
三、主要性能參數:
公稱壓力MPa | 0.25 | 0.15 | 0.10 | 0.05 |
密封試驗壓力MPa | 0.275 | 0.165 | 0.11 | 0.055 |
強度試驗壓力MPa | 0.40 | 0.225 | 0.15 | 0.075 |
驅動源 | 壓縮空氣0.4-0.6MPa 油壓壓力6.3MPa 3相380V50HZ |
適用溫度℃ | 丁腈橡膠 | 硅橡膠 | 氟橡膠 |
| | |
適用介質 | 煤氣等有毒、有害、易燃氣體 |
| |
主要零部件材料 | 閥體、閘板為碳鋼;絲桿為合金鋼;螺母為錳銅合金、球墨鑄鐵;伸縮器為不銹鋼 |
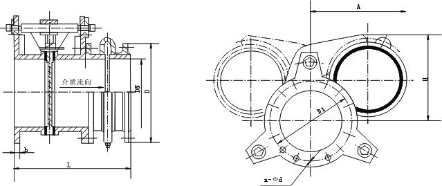
四、主要外形連接尺寸: 單位:mm
DN | D | D1 | b | n-φd | L |
300 | 440 | 395 | 22 | 12-φ22 | 450 |
350 | 490 | 445 | 22 | 12-φ22 | 450 |
400 | 540 | 495 | 22 | 16-φ22 | 450 |
450 | 595 | 550 | 24 | 16-φ22 | 500 |
500 | 645 | 600 | 24 | 16-φ22 | 500 |
600 | 755 | 705 | 24 | 20-φ26 | 600 |
700 | 860 | 810 | 26 | 24-φ26 | 600 |
800 | 975 | 920 | 26 | 24-φ30 | 800 |
900 | 1075 | 1020 | 28 | 24-φ30 | 800 |
1000 | 1175 | 1120 | 30 | 28-φ30 | 800 |

四、氣動扇形盲板閥訂貨須知:
1、①產品名稱與型號②氣動扇形盲板閥口徑③是否帶附件以便我們的為您正確選型。
2、若已經由設計單位選定的電動扇形盲板閥型號,請按電動扇形盲板閥型號直接向我司銷售部訂購。
3、當使用的場合非常重要或環境比較復雜時,請您盡量提供設計圖紙和詳細參數。

上兆閥門其他產品:
閘 閥 截止閥 球 閥 蝶 閥 緊急切斷閥 電磁閥 水力控制閥 止回閥 刀型閘閥 旋塞閥 過濾器 減壓閥 疏水閥 隔膜閥 調節閥 阻火器 呼吸閥 燃氣閥門 冶金閥門